
အပေြာင်း stm8s103f3p3p6 ၎င်း၏အထင်ကြီးစရာကောင်းသည့်လုပ်ဆောင်နိုင်စွမ်းနှင့်ချောမွေ့စွာပေါင်းစည်းမှုအတွက်ကျော်ကြားသောစင်ကြယ်သောပေါင်းစပ်မှုကြောင့်ထုတ်လုပ်သော 8-bit microcontroller သည် 8-bit microcontroller ဖြစ်သည်။ဤကျစ်လစ်သိပ်သည်းသောကိရိယာသည်မျက်နှာပြင်တပ်ဆင်ထားသောစက် (SMD) mounting style, အဆင့်မြင့်နည်းပညာဖြင့်ပြုလုပ်ထားသောအဆင့်မြင့်နည်းပညာကို အသုံးပြု. အဆင့်မြင့် core နှင့်အရံပစ္စည်းများတပ်ဆင်ထားသည်။16 MHZ 16 MHz ၏နာရီကြိမ်နှုန်းဖြင့် STM8S103F3P6 သည်အားကောင်းသည့် I / O စွမ်းရည်ကို 0 င်ရောက်နိုင်သည်။လွတ်လပ်သောနာရီအသင်းနှင့်နာရီလုံခြုံရေးစနစ်တပ်ဆင်ထားသောလွတ်လပ်သောစောင့်ကြည့်ရေးအဖွဲ့သည်အလားအလာရှိသောအနှောင့်အယှက်ပေးမှုနှင့် ပတ်သက်. အကောင်းဆုံးစက်ကိရိယာများနှင့်ခံနိုင်ရည်ရှိကြောင်းအာမခံသည်။
၎င်း၏ stethout feathares များထဲမှတစ်ခုမှာ၎င်း၏ flash memory တစ်ခုဖြစ်ပြီး၎င်းသည်ကုဒ်နှင့်အချက်အလက်အတွက်မတည်ငြိမ်သောသိုလှောင်မှုကိုထောက်ပံ့ပေးသည်။2.95 V မှ 5.5 v မှ spanning spanning spanning တစ်ခု spanning တစ်ခုနှင့်အတူဤ microcontontroller သည်အလွန်အမင်းစွယ်စုံနှင့်အမျိုးမျိုးသော application များနှင့်လိုက်လျောညီထွေဖြစ်အောင်ပြုလုပ်သည်။ထို့အပြင်၎င်းသည်ကျယ်ကျယ်ပြန့်ပြန့်လည်ပတ်နေသောအပူချိန် -40 ဒီဂရီစင်တီဂရိတ်မှ 85 ဒီဂရီစင်တီဂရိတ်မှ 85 ဒီဂရီစင်တီဂရိတ်အထိရှိသည်။
• MSP430G2353
• pic16lf18444T
• STM8S103F3P6TR


စွမ်းအင်သုံးစွဲမှုနိမ့်ကျခြင်း - ၎င်းသည်ဘက်ထရီသက်တမ်းကိုထိရောက်စွာတိုးချဲ့နိုင်သည့် IDLE mode, sleep mode, sleep mode and off mode အပါအ 0 င်ရွေးချယ်ရန်စွမ်းအင်သုံးစွဲမှုနည်းပါးသည်။
မြင့်မားသောစွမ်းဆောင်ရည်မြင့်မားသောစွမ်းဆောင်ရည်မြင့်မားသော Core Core ဗိသုကာကိုချမှတ်သည်။ ၎င်းသည်လည်ပတ်ခြင်းကြိမ်နှုန်းသည် 16mhz ကဲ့သို့မြင့်မားသည်။
ဆက်သွယ်ရေး interfaces များ - ၎င်းသည် SPI (Serial PeriPheral Interface), I2C နှင့် UART အပါအ 0 င်ဆက်သွယ်ရေးမျက်နှာပြင်အမျိုးမျိုးကိုထောက်ပံ့သည်။ဤ interfaces များမှတဆင့်၎င်းသည်ပိုမိုလုပ်ဆောင်မှုများနှင့်အပလီကေးရှင်းများရရှိရန်အတွက်ပြင်ပကိရိယာများနှင့်အတူအလွယ်တကူ ဆက်သွယ်. ဆက်သွယ်နိုင်သည်။
အရံပစ္စည်းများ - STM8S103F3P3P3P3P3P3P3P3P3P3P3P3P3P3P3P3P3P3P3P3PLERER သည် 16kB flash memory နှင့် RAM မှတ်ဉာဏ်များအပါအ 0 င်အရံအရင်းအမြစ်များပေါများသည်။ဤအရံပစ္စည်းများ၏မတူကွဲပြားမှုများသည်အမျိုးမျိုးသော application အခြေအနေများအတွက်သင့်တော်ပြီးလယ်ကွင်းနှင့်စက်မှုလုပ်ငန်းများ၏လိုအပ်ချက်များကိုဖြည့်ဆည်းပေးနိုင်သည်။စက်မှုထိန်းချုပ်မှု, စမတ်အိမ်သို့မဟုတ် embedded စနစ်များဖြစ်သော STM8S103F3P6 သည်ဖြစ်စေ STM8S103F3P6 သည်အထောက်အပံ့ပေးနိုင်သည်။

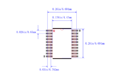
STM8S103F3P6P3P6 သည်ပါးလွှာသောသေးငယ်သည့်အကြမ်းဖျင်းအထုပ် (TSSOP) တွင်ထုပ်ပိုးထားပြီး pins 20 ရှိသည်။ခန္ဓာကိုယ်နှင့်ခဲအကွာအဝေးစံစိုးဆိုအစီအစဉ်များထက်သေးငယ်သည်။TSSOP ၏ပုံမှန်အင်္ဂါရပ်သည် PC များကို SMT နည်းပညာကို အသုံးပြု. PCBs ရှိဝါယာကြိုးများပေါ်တွင်ဝါယာကြိုးများကိုတပ်ဆင်ရန်သင့်လျော်သော pins ၏အသွင်အပြင်တစ်ခုဖြစ်သည်။TSSOP အထုပ်ကိုအသုံးပြုသောအခါ parasitic parameters များ (လက်ရှိအပြောင်းအလဲများကြောင့်ဖြစ်ပေါ်လာသော output ဗို့အားအနှောင့်အယှက်) သည်သေးငယ်သည်။ ထို့ကြောင့်၎င်းသည်ကြိမ်နှုန်းမြင့်မားသော application များအတွက်သင့်တော်သည်။ဤအမျိုးအစားသည်လည်ပတ်ရန်ပိုမိုအဆင်ပြေသည်။ ပိုမိုမြင့်မားသောယုံကြည်စိတ်ချရမှုရှိသည်။
TSSOP အထုပ်တွင်အောက်ပါအင်္ဂါရပ်များရှိသည်။
• Pin Stacing အသေးစား - pin spacing သည်ယေဘုယျအားဖြင့် 0.5 မီလီမီတာသို့မဟုတ် 0.65 မီလီမီတာဖြစ်သည်။Circuit ဘုတ်အဖွဲ့မှကြေးနီဘားများဒီဇိုင်းမှတစ်ဆင့် devices များပိုမိုများပြားသော area ရိယာနှင့်အရွယ်အစားရှိသော circuit board ပေါ်တွင်ပစ္စည်းကိရိယာများကိုနေရာချနိုင်သည်။
•ကျယ်ပြန့်သောလျှောက်လွှာ - Microlecontrollers, DSPS, Memory ချစ်ပ်များနှင့်ပါဝါထောက်ပံ့ရေးချစ်ပ်များကဲ့သို့သော application fields အမျိုးမျိုးကိုအသုံးပြုနိုင်သည်။
•မြင့်မားသော pin အရေအတွက် - pin အရေအတွက်သည်ယေဘုယျအားဖြင့် 20 မှ 64 ဝန်းကျင်ရှိပြီးအချို့သောချစ်ပ်ပေါင်းစည်းမှုလိုအပ်ချက်များနှင့်ကိုက်ညီနိုင်သည်။
•အသေးစားအထုပ်အရွယ်အစား - သာမန်သေးငယ်တဲ့အကြမ်းဖျင်း (ဒါ) အထုပ်နဲ့နှိုင်းယှဉ်ရင်အထူကသေးငယ်တယ်, အထူကပိုပါးလာတယ်, အသံအတိုးအကျယ်ကသေးငယ်တယ်။
•မြင့်မားသောစွမ်းဆောင်ရည် - ၎င်းသည်မျက်နှာပြင်တောင်ကိုနည်းပညာကိုကျင့်သုံးသည်, ကောင်းမွန်သောစီးကူးခြင်းနှင့်ချေးခြင်းများကိုခံနိုင်ရည်ရှိခြင်း, မြန်နှုန်းမြင့်, ကြိမ်နှုန်း, အနည်းဆုံး,
အခြားနည်းဖြင့်သတ်မှတ်ထားသောမဟုတ်လျှင် Voltages အားလုံးကို VSS သို့လွှဲပြောင်းပေးသည်။
အနည်းဆုံးနှင့်အမြင့်ဆုံးတန်ဖိုးများကိုအလွန်ဆိုးရှားသည့်အခြေအနေများအောက်တွင်အာမခံထားသည့်အခြေအနေများ, ပတ်ပတ်လည်အပူချိန်, ဗို့အားနှင့်ကြိမ်နှုန်းများကိုလွှမ်းခြုံထားသည်။ဤအာမခံချက်များကိုတိကျခိုင်မာသည့်ထုတ်လုပ်မှုစစ်ဆေးမှုများမှတစ်ဆင့်ပြုလုပ်သော TA = 25 ° C နှင့် TAN = TAYAX တွင်ပြုလုပ်သောပစ္စည်းများ၏ 100% တွင်ပြုလုပ်ခဲ့သောတိကျခိုင်မာသည့်ထုတ်လုပ်မှုစမ်းသပ်မှုများမှတဆင့်တည်ထောင်ခဲ့သည်။
သွင်ပြင်လက္ခဏာများရလဒ်များ, ဒီဇိုင်းပုံသဏ္ဌာန်နှင့် / သို့မဟုတ်နည်းပညာပိုင်းဆိုင်ရာလက္ခဏာများအပေါ် အခြေခံ. တန်ဖိုးများကိုစားပွဲတင်အောက်ခြေမှတ်ချက်များတွင်ဖော်ပြထားသောတန်ဖိုးများကိုဖော်ပြထားပြီးထုတ်လုပ်မှုစစ်ဆေးခြင်းကိုမရရှိနိုင်ပါ။သွင်ပြင်လက်ခဏာနှင့်စပ်လျဉ်း။ နမူနာအကဲဖြတ်ခြင်းနှင့်စပ်လျဉ်း။ အနည်းဆုံးနှင့်အမြင့်ဆုံးတန်ဖိုးများနှင့်အညီ,
မဟုတ်ရင်အတိအလင်းဖော်ပြထားခြင်းမရှိပါက Standard Data ကို TA = 25 ° C, VDD = 5 VDD ဖြင့်တည်ဆောက်ထားပြီးဤတန်ဖိုးများကိုဒီဇိုင်းကိုးကားချက်များအနေဖြင့်သာထောက်ပံ့သည်။
ADC တန်ဖိုးများ၏ပုံမှန်တိကျမှုသည်အပူချိန်အကွာအဝေးကို ဖြတ်. စံပျဉ်က်မှစံပျဉ်က်မှနမူနာတစ်ခု၏လက္ခဏာများဖြင့်တည်ဆောက်ထားသည်။ဤအခြေအနေတွင် devices ၏ 95% သည်သတ်မှတ်ထားသောတန်ဖိုးအတွင်းရှိအမှားတစ်ခုပြသည် (ဆိုလိုသည်မှာ±2σ)
အထူးညွှန်ပြခြင်းမရှိပါက Standard ဂရပ်များအားလုံးကိုဒီဇိုင်းကိုးကားချက်များအနေဖြင့်သာရည်ရွယ်ပြီးစမ်းသပ်ခြင်းမပြုရန်ဖြစ်သည်။
သတ်မှတ်ထားသောအကြွင်းမဲ့အာဏာအများဆုံးအဆင့်သတ်မှတ်ချက်များထက် ကျော်လွန်. စက်ပစ္စည်းကိုအမြဲတမ်းပျက်စီးစေနိုင်သည်။ဤအဆင့်သတ်မှတ်ချက်များသည်စက်သည်ခံနိုင်ရည်ရှိသည့်စိတ်ဖိစီးမှုများ၏ကန့်သတ်ချက်များကဖော်ပြသည်။အများဆုံးအဆင့်သတ်မှတ်ချက်များတွင်သို့မဟုတ်အနီးရှိအခြေအနေများနှင့်ထိတွေ့ခြင်းသည်စက်ပစ္စည်း၏ယုံကြည်စိတ်ချရမှုကိုဆိုးကျိုးသက်ရောက်နိုင်သည်။
၎င်း၏လျှောက်လွှာအခြေအနေများကိုဖော်ပြသည့်ကိရိယာ၏မစ်ရှင်ပရိုဖိုင်းသည် Jedec Jed47 အရည်အချင်းစံသတ်မှတ်ချက်ကိုလိုက်နာရန် Jedec JED47 အရည်အချင်းစံသတ်မှတ်ချက်ကိုလိုက်နာသည်။
အဓိကစည်းမျဉ်းစည်းကမ်းထိန်းသိမ်းရေးအတွက်တည်ငြိမ်မှုကိုရရှိရန်အတွက်ပြင်ပ Capacitor တံဆိပ်ကပ်ထားသော cexted cext ကို VCAP PIN နှင့်ချိတ်ဆက်သင့်သည်။စီးရီး inductance 15 nh အောက်တွင်ရှိနေသည်ကိုသေချာစေရန်မရှိမဖြစ်လိုအပ်သည်။
လက်ရှိစားသုံးမှုကိုအောက်ပါပုံတွင်ဖော်ပြထားသည့်အတိုင်းတိုင်းတာသည်။

run mode တွင်စုစုပေါင်းထောက်ပံ့ရေးလက်ရှိစားသုံးမှု
MCU ကိုအောက်ပါအခြေအနေများအောက်တွင်ထားရှိသည်။
•အတိအလင်းဖော်ပြထားခြင်း မှလွဲ. အရံပစ္စည်းအားလုံးမသန်မစွမ်းဖြစ်စေသည်။
• VDD (သို့) VSS တွင် static တန်ဖိုးနှင့်အတူ I / O pins အားလုံး (အဘယ်သူမျှမဝန်)
VDD နှင့် TA အတွက်အထွေထွေလည်ပတ်မှုအခြေအနေများမှဘာသာရပ်။

StM8S103F3P6P6 တွင် PIN နံပါတ် 20 ရှိပြီး၎င်း၏ pin အမည်များနှင့်လုပ်ဆောင်ချက်များကိုအောက်ပါအတိုင်းဖြစ်သည် -
Pin1 (PD4 / Bep / Tim2_ ch1 ch1 / uart1 _ck): Port D4
PIN2 (PD5 / AIT5 / uart1 _tx): port d5
Pin3 (PD6 / AIRT1 / UART1 _RX): Port D6
Pin4 (NRST): Reset
Pin5 (pa1 / oscin): Port A1
Pin6 (PA2 / Oscout): Port A2
Pin7 (VSS): ဒီဂျစ်တယ်မြေပြင်
Pin8 (VCAP): 1.8 v Regulator Capacitor
Pin9 (VDD): ဒီဂျစ်တယ်ပါဝါထောက်ပံ့ရေး
Pin10 (Pa3 / Tim2_ CH3 [SPI_ NSS]): Port A3
Pin11 (PB5 / I2C_ SDA [TIM1_ BIL)): Port B5
Pin12 (PB4 / I2C_ SCL): Port B4
Pin13 (PC3 / TLI] [TLI] [TLI] [TLI] [tim1n ch1n]): Port C3
PIN14 (PC4 / Clk_CCO / TIM1_ CH4 / AIN2 / [TIM1_ CH2N]): POR1_ CH2N]
Pin15 (PC5 / spi_sck [tim2_ ch1]): Port C5
Pin16 (PC6 / spi_mosi [tim1_ ch1]): Port C6
Pin17 (PC7 / spi_miso [tim1_ ch2]): Port C7
Pin18 (PD1 / ရေကူး): Port D1
Pin19 (PD2 / AIN3 / [TIM2_ ch3]) - Port D2
PIN20 (PD3 / AIN4 / TIM2_ CH2 / ADC_) - PORD D3
အထက်ဖော်ပြပါပုံတွင်ဖော်ပြထားသည့်အတိုင်း stm8S103F3P6 chip သည် i / O PIN များအထိရှိသည်။ ၎င်းသည် GPPIO, PERIPHERAL interfaces များ, adc ကဲ့သို့သောရည်ရွယ်ချက်များအမျိုးမျိုးအတွက်အသုံးပြုနိုင်သည်။ပြင်ပအချက်ပြမှုများကိုဖတ်ရန်သို့မဟုတ် outal devices များသို့အချက်ပြရန် outices pin များကိုထုတ်လွှင့်ရန် input pins အဖြစ်အသုံးပြုသည်။ထို့အပြင် I / O PIN တစ်ခုချင်းစီသည်သူတို့ဖြစ်ပွားသည့်ကြားဖြတ်နှောင့်ယှက်မှုများကိုလွယ်ကူစွာလုပ်ဆောင်ရန်အတွက် Interute Vector ကိုလွတ်လပ်စွာသတ်မှတ်နိုင်သည်။
အလိုအလျောက်စနစ်များ - ဤ microlocontroller ကိုလျှပ်စစ်ကုလားကာကဲ့သို့သောအလိုအလျောက်စနစ်များတွင်အသုံးပြုနိုင်သည်။
• IOT (အင်တာနက်၏အင်တာနက်) application: i Iot Devices များဖွံ့ဖြိုးရန်လိုအပ်ပါက၎င်းသည် Sensors နှင့်ဆက်သွယ်ရေး module များကို ဆက်သွယ်. ထိန်းချုပ်ရန် IT Node များအတွက် Controller အဖြစ်အသုံးပြုနိုင်သည်။
•ကိုယ်ပိုင်အီလက်ထရောနစ်ပစ္စည်းများ - ဒစ်ဂျစ်တယ်ကင်မရာများ, MP3 နှင့် MP4 Players, Electronic Game Consoles စသည်ဖြင့်အသုံးပြုသည်။
•အီလက်ထရောနစ်ပစ္စည်းများ - အမျိုးမျိုးသောအီလက်ထရောနစ်ပစ္စည်းအမျိုးမျိုးကိုတီထွင်ခဲ့သည်
အီလက်ထရောနစ်ကစားစရာများ, ဝေးလံခေါင်သီထိန်းချုပ်မှုများ, Mini Calculators စသည်တို့စသည်တို့ဖြစ်သည်။
•စက်မှုဇုန်နယ်ပယ် - PLC, စက်မှုထိန်းချုပ်သူများ, လုပ်ငန်းစဉ်အလိုအလျောက်ထိန်းချုပ်ရေးကိရိယာများတွင်အသုံးပြုသည်။
•ဒေတာရယူခြင်းနှင့်အာရုံခံကိရိယာများ) - ပတ် 0 န်းကျင်အခြေအနေများနှင့်ပတ် 0 န်းကျင်ဆိုင်ရာအခြေအနေများကိုစောင့်ကြည့်လေ့လာရန်သို့မဟုတ်အချက်အလက်များစုဆောင်းရန်သို့မဟုတ်အလင်းအာရုံခံကိရိယာများ, အပူချိန်အာရုံခံကိရိယာများစသည့်အာရုံခံကိရိယာအမျိုးမျိုးကိုချိတ်ဆက်ရန်သို့မဟုတ်အာရုံခံကိရိယာများ,
• Embedded Control System: အိမ်အသုံးအဆောင်ပစ္စည်းများ, စက်မှုပစ္စည်းကိရိယာများ, ပါဝါကိရိယာများစသည့် embedded control systems အမျိုးမျိုးကိုဒီဇိုင်းဆွဲရန်အသုံးပြုသည်။
StM8S103F3P6P6 သည် stmicroelectronics မှတီထွင်ထားသော microcontroller ချစ်ပ်ဖြစ်သည်။၎င်းသည် STM8 မိသားစု 8-bit microcontrollers ၏မိသားစုနှင့်သက်ဆိုင်ပြီး embedded systems systems and iot application အမျိုးမျိုးတွင်ကျယ်ပြန့်စွာအသုံးပြုသည်။
STM8S103F3P3P3P3P3P3P3P3P3P3P3P3P3P3P3P3P3P3P3P3P3P3P3P rom 640 bit rom, 10-bit 5-chargels ADC, 1KB RAM နှင့်ပရိုဂရမ်မှတ်ဉာဏ်အရွယ်အစားနှင့်အတူ။
STM8S103F3P6P3P6, Pic16LF184444T, stm8S103F3P3TH3, StM8S103F3P3TH သို့မဟုတ် StM8S103F3TH3TH သို့မဟုတ် StM8S103F3TE သို့မဟုတ် stm8S103F3TH3TH6TH6TH3TH3TE
ဟုတ်ကဲ့, stm8S103F3P6P3P6 ကိုစွမ်းအင်နည်းသောအင်္ဂါရပ်များဖြင့်ဒီဇိုင်းပြုလုပ်ထားပြီးစွမ်းအင်ထိရောက်မှုသည်မရှိမဖြစ်လိုအပ်သောဘက်ထရီစွမ်းအားသို့မဟုတ်စွမ်းအင်နည်းပါးသော application များတွင်အသုံးပြုနိုင်သည်။
STM8S103F3P3P6 ၏အဓိကသော့ချက်အချို့မှာ GPIO (အထွေထွေရည်ရွယ်ချက် interput / output) pin များ, univalal at ontheralchronous compritiver / transmitter) ဆက်သွယ်ရေး, I2C (Inter-inter-integrated circuit) ဆက်သွယ်ရေး, spi (serial circuit) ဆက်သွယ်ရေး,
ကိုယ်တို့အကြောင်း
တိုင်းအချိန်ကုန်ကျေနပ်မှု။နှစ် ဦး နှစ်ဖက်အပြန်အလှန်ယုံကြည်မှုနှင့်ဘုံအကျိုးစီးပွား။
Lithium ဒင်္ဂါးပြား CR2354 ၏နည်းပညာဆိုင်ရာအသေးစိတ်အချက်အလက်များ
2024-08-02
AtteGa328-Pu Microcontroller ကိုဘက်စုံလမ်းညွှန်
2024-08-02
T491B685K010ZTPB01အီးမေး Info@ariat-tech.comဟောင်ကောင်: +852 30501966ADD: Rm 2703 27F Ho King Comm စင်တာ ၂-၁၆၊
Fa Yuen St MongKok Kowloon၊ ဟောင်ကောင်။